TQ-A2 TQ-A2T 方S型拉壓稱重傳感器
編號:10117
查看:
發布:2021-08-10
TQ-A2方S型拉壓傳感器具有精度高,雙向承載,安裝方便 等特點。 TQ-A2方S型拉壓傳感器適用于配料秤、吊鉤秤、機電結合秤,包裝秤,材料力學試驗機等設備力值的測量與控制。
編號:10117
查看:
發布:2021-08-10
TQ-A2方S型拉壓傳感器具有精度高,雙向承載,安裝方便 等特點。 TQ-A2方S型拉壓傳感器適用于配料秤、吊鉤秤、機電結合秤,包裝秤,材料力學試驗機等設備力值的測量與控制。
量程:TQ-A2:5kN(500kg)、10kN(1t),15kN(1.5t)、20kN(2t)
TQ-A2T :10kN(1t),20kN(2t)
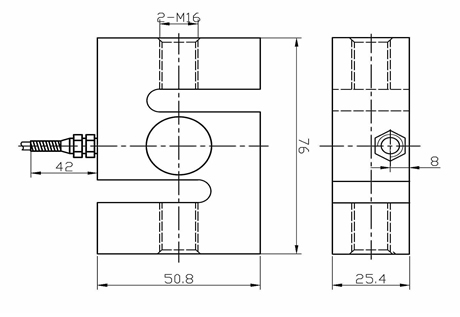
技術參數及外形尺寸:
序號 | 產品技術參數 | |
1 | 額定載荷 | 5kN-20kN |
2 | 綜合精度 | 0.05%F.S |
3 | 靈敏度 | 2.0mV/V±0.001 |
4 | 零點平衡 | ±1%F.S |
5 | 輸入阻抗 | 380±10Ω |
6 | 輸出阻抗 | 350±3Ω |
7 | 絕緣阻抗 | ≥5000MΩ |
8 | 補償溫度范圍 | -10~40℃ |
9 | 適用溫度范圍 | -30~65℃ |
10 | 安全過載 | 150%F.S |
11 | 極限載荷 | 300%F.S |
12 | 材質 | 40CrNiMoA/42CrMo |
13 | 激勵電壓 | 10V(DC) |
14 | 密封等級 | IP65/IP67 |
15 | 電纜 | 4m |
16 | 接線方式 | 紅……E+(輸入正) 黑……E-(輸入負) 綠……S+(輸出正) 白……S-(輸出負) |

TQ-A2T:M16×1.5
圖片與實物略有差異,以實物為準 / 濟南泰欽保留隨時更改、撤消產品型號、規格的權利,恕不另行通知