CH-SJTH輪輻式測力傳感器
編號:10393
查看:
發布:2022-05-20
CH-SJTH輪輻式測力傳感器采用優質不銹鋼材質,具有高精度,高穩定性,低外形,安裝簡便、快速等特點。適用于試驗機
編號:10393
查看:
發布:2022-05-20
CH-SJTH輪輻式測力傳感器采用優質不銹鋼材質,具有高精度,高穩定性,低外形,安裝簡便、快速等特點。適用于試驗機
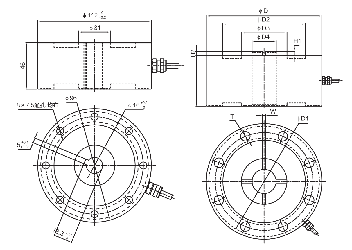
產品名稱:CH-SJTH輪輻式測力傳感器
產品特點:CH-SJTH輪輻式測力傳感器采用優質不銹鋼材質,具有高精度,高穩定性,低外形,安裝簡便、快速等特點。適用于試驗機。
量程:500kg,1t,2t,5t,10t,20t,25t,30t
外形尺寸:

技術參數: | ||||||||||||||||||||||||||||||||||||||||
| ||||||||||||||||||||||||||||||||||||||||
| ||||||||||||||||||||||||||||||||||||||||