TQ-1BN輪輻式測力傳感器
編號:10266
查看:
發布:2021-08-04
TQ-1BN內螺紋輪輻式測力傳感器采用優質合金鋼材質,表面鍍鎳防腐處理。具有高精度,高穩定性,低外形,安裝簡便、快速等特點。 產品用途:TQ-1CN內螺紋輪輻式測力傳感器適用于配料秤、工業稱重系統等。
編號:10266
查看:
發布:2021-08-04
TQ-1BN內螺紋輪輻式測力傳感器采用優質合金鋼材質,表面鍍鎳防腐處理。具有高精度,高穩定性,低外形,安裝簡便、快速等特點。 產品用途:TQ-1CN內螺紋輪輻式測力傳感器適用于配料秤、工業稱重系統等。
產品特點:TQ-1BN內螺紋輪輻式測力傳感器采用優質合金鋼材質,表面鍍鎳防腐處理。具有高精度,高穩定性,低外形,安裝簡便、快速等特點。
產品用途:TQ-1BN內螺紋輪輻式測力傳感器適用于配料秤、工業稱重系統等。
量程:10kN(1t)、20kN(2t)、50kN(5t)、200kN(20t)
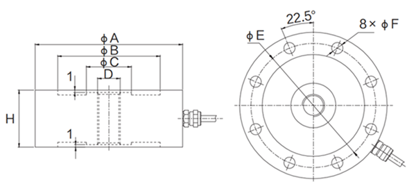
技術參數及外形尺寸:
序號 | 產品技術參數 | |
1 | 額定載荷 | 10,20,50,200kN |
2 | 綜合精度 | ≤0.05%F.S |
3 | 額定輸出 | 2.0±0.01mV/V |
4 | 蠕變 | ±0.05%F.S/30min |
5 | 零點輸出 | ±1%F.S |
6 | 輸入阻抗 | 390±15Ω |
7 | 輸出阻抗 | 350±5Ω |
8 | 絕緣阻抗 | ≥5000MΩ |
9 | 推薦激勵電壓 | 10V(DC/AC) |
10 | 工作溫度范圍 | -20~70℃ |
11 | 安全過載 | 150%F.S |
12 | 材質 | 優質合金鋼 |
13 | 接線方式 | 紅……E+(電源正) 黑……E-(電源負) 綠……S+(信號正) 白……S-(信號負) |

型號 | 量程(t) | ?A | ?B | ?C | D | E | ?F | H |
TQ-1BN | 1,2,5(t) | ?118 | ?82 | ?36 | M18×1.5 | 100 | ?9 | 46 |
20t | ?182 | ?126 | ?76 | M39×2 | 154 | ?14 | 60 |
圖片與實物略有差異,以實物為準 / 濟南泰欽保留隨時更改、撤消產品型號、規格的權利,恕不另行通知