TQ-H3X柱式稱重傳感器
編號:10281
查看:
發布:2024-10-15
TQ-H3X柱式稱重傳感器量程范圍廣,抗過載能力強。 TQ-H3X柱式稱重傳感器廣泛應用于醫藥化工、煤炭冶金、電子汽車衡、軌道衡、倉儲秤、料罐等大噸位的測量。
編號:10281
查看:
發布:2024-10-15
TQ-H3X柱式稱重傳感器量程范圍廣,抗過載能力強。 TQ-H3X柱式稱重傳感器廣泛應用于醫藥化工、煤炭冶金、電子汽車衡、軌道衡、倉儲秤、料罐等大噸位的測量。
產品名稱:TQ-H3X柱式稱重傳感器
產品特點:TQ-H3X柱式稱重傳感器量程范圍廣,抗過載能力強。
產品用途:TQ-H3X柱式稱重傳感器廣泛應用于醫藥化工、煤炭冶金、電子汽車衡、軌道衡、倉儲秤、料罐等大噸位的測量。
量程:5kN(500kg)、10kN(1t)、20kN(2t)、30kN(3t)、50kN(5t)、70kN(7t)
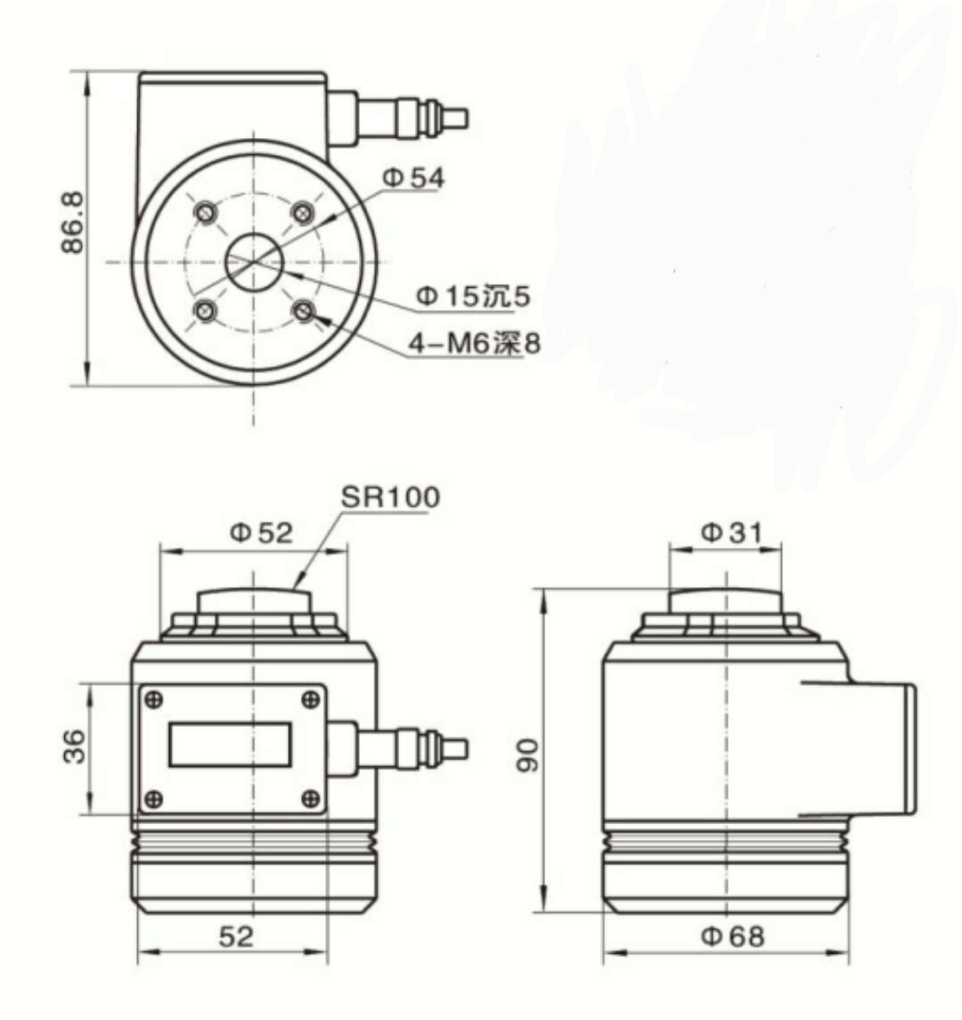
技術參數及外形尺寸:
序號 | 產品技術參數 | |
1 | 額定載荷 | 5kN-70kN |
2 | 綜合精度 | 0.05%F.S |
3 | 靈敏度 | 2.0mV/V |
4 | 零點輸出 | ≤0.1%F.S |
5 | 輸入阻抗 | 380±10Ω |
6 | 輸出阻抗 | 351±3Ω |
7 | 絕緣阻抗 | ≥5000MΩ |
8 | 補償溫度范圍 | -10~40℃ |
9 | 適用溫度范圍 | -30~70℃ |
10 | 安全過載 | 150%F.S |
11 | 極限過載 | 300%F.S |
12 | 材質 | 合金鋼 |
13 | 激勵電壓 | 10V(DC) |
14 | 密封等級 | IP67/IP68 |
15 | 電纜 | 5m |
16 | 接線方式 | 紅……E+(輸入正) 黑……E-(輸入負) 綠……S+(輸出正) 白……S-(輸出負) |

圖片與實物略有差異,以實物為準 / 濟南泰欽保留隨時更改、撤消產品型號、規格的權利,恕不另行通知