CH-1B輪輻式測力傳感器
編號:10396
查看:
發布:2022-05-20
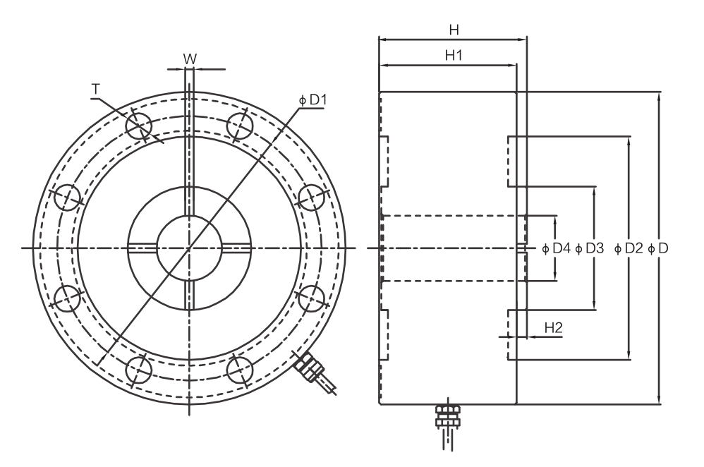
產品名稱:CH-1B輪輻式測力傳感器產品特點:CH-1B輪輻式測力傳感器采用優質不銹鋼材質,具有高精度,高穩定性,低外形,安裝簡便、快速等特點。適用于試驗機。量程:500kg,1t,2t,5t,10t外形尺寸:量程(kN
編號:10396
查看:
發布:2022-05-20
產品名稱:CH-1B輪輻式測力傳感器產品特點:CH-1B輪輻式測力傳感器采用優質不銹鋼材質,具有高精度,高穩定性,低外形,安裝簡便、快速等特點。適用于試驗機。量程:500kg,1t,2t,5t,10t外形尺寸:量程(kN
產品名稱:CH-1B輪輻式測力傳感器
產品特點:CH-1B輪輻式測力傳感器采用優質不銹鋼材質,具有高精度,高穩定性,低外形,安裝簡便、快速等特點。適用于試驗機。
量程:500kg,1t,2t,5t,10t
外形尺寸:

技術參數:
技術參數 額定輸出 2.0mV/V±0.002 輸入阻抗 385±10Ω 非線性 ±0.05%F.S 輸出阻抗 351±3Ω 滯后性 <±0.05%F.S 絕緣電阻 ≥5000MΩ 重復性 <±0.05%F.S 允許激勵電壓 5~15V/DC 蠕變 <±0.05%F.S/30min 補償溫度范圍 -10℃~+40℃ 零點溫度影響 <±0.03%/10℃ 工作溫度范圍 -30℃~+70℃ 輸出溫度影響 <±0.03%/10℃ 安全過載 150%F.S 零點平衡 <±1%F.S 極限過載 300%F.S 接線方式 激勵:+紅 -黑 信號:+綠 -白 屏蔽:黃粗 | ||||||||||||||||||||||||||||||||||||||||