TQ-H10T柱式稱重傳感器
編號:10283
查看:
發布:2020-07-30
產品名稱:TQ-H10T柱式稱重傳感器產品特點:TQ-H10T柱式稱重傳感器高穩定性,高可靠性。產品用途:TQ-H10T柱式稱重傳感器廣泛適用于測力、稱重及其他力值的測量與控制系統量程:1000kN(100t)、2000kN(200t)技術
編號:10283
查看:
發布:2020-07-30
產品名稱:TQ-H10T柱式稱重傳感器產品特點:TQ-H10T柱式稱重傳感器高穩定性,高可靠性。產品用途:TQ-H10T柱式稱重傳感器廣泛適用于測力、稱重及其他力值的測量與控制系統量程:1000kN(100t)、2000kN(200t)技術
產品名稱:TQ-H10T柱式稱重傳感器
產品特點:TQ-H10T柱式稱重傳感器高穩定性,高可靠性。
產品用途:TQ-H10T柱式稱重傳感器廣泛適用于測力、稱重及其他力值的測量與控制系統
量程:1000kN(100t)、2000kN(200t)
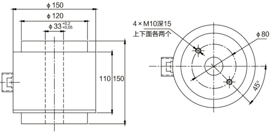
技術參數及外形尺寸:
序號 | 產品技術參數 | |
1 | 額定載荷 | 100t,200t |
2 | 綜合精度 | 0.5%F.S |
3 | 靈敏度 | 1.5±0.02mV/V |
4 | 蠕變 | ±0.5%F.S/20min |
5 | 零點溫度影響 | ±0.5%F.S/10℃ |
6 | 輸出溫度影響 | ±0.5%F.S/10℃ |
7 | 零點輸出 | ±1%F.S |
8 | 輸入阻抗 | 700±20Ω |
9 | 輸出阻抗 | 706±2Ω |
10 | 絕緣阻抗 | ≥5000MΩ |
11 | 激勵電壓 | 10V(DC) |
12 | 工作溫度范圍 | -10~65℃ |
13 | 安全過載 | 120%F.S |
14 | 材質 | 合金鋼 |
15 | 接線方式 | 紅……E+(輸入正) 黑……E-(輸入負) 綠……S+(輸出正) 白……S-(輸出負) |

圖片與實物略有差異,以實物為準 / 濟南泰欽保留隨時更改、撤消產品型號、規格的權利,恕不另行通知